08 October 2019
03 May 2019
A Real-World FFT Example
![]() |
| Figure 1: Shown at top right is the output of a 5V switch-mode power supply acquired with an RP4030 active voltage-rail probe |
08 April 2019
Fast Fourier Transforms: Automatic Edition
![]() |
| Figure 1: Shown is the user interface for Teledyne LeCroy's Spectrum Analyzer software option |
02 April 2019
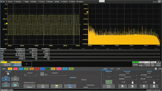
Fast Fourier Transforms: Stickshift Edition
| Figure 1: Shown at left is a 50-kHz input sine wave with the FFT of the same signal at right |
25 March 2019
The Resolution Revolution In Oscilloscopes
![]() |
| Figure 1: Teledyne LeCroy's WavePro HD exemplifies today's high-resolution, high-bandwidth instruments |
08 March 2019
Which Windowing Function to Use in FFTs?
![]() |
| Figure 1: Examples of a Hamming function (blue) and Hanning function (red) |
27 February 2019
About Windowing in Fast Fourier Transforms
![]() |
| Figure 1: Windowing a waveform that's not periodic within the acquisition window reduces spectral leakage |
Subscribe to:
Posts (Atom)





